

丸紅情報システムズ株式会社 製造ソリューション事業本部モデリング技術部アプリケーション推進課スペシャリスト。Stratasys樹脂3Dプリンター、DesktopMetal金属3Dプリンターの国内外の活用情報収集発信、より良い活用方法提案、開発業務を主に担当。
毎年この時期には、過去のこちらのコラムのように「学生フォーミュラ日本大会(主催:公益社団法人自動車技術会)」で筆者が3Dプリント実用部品の設計をアドバイスし、弊社オンデマンドプリントサービスの製作で協賛したチームの結果を報告してきました。しかしコロナ禍で昨年は大会自体が中止、今年は開催されましたが直前に動的審査が中止となり、静的審査のみとなりました。その結果が9月3日に発表され、今期サージタンク(下記写真 塗装済み)を新規設計、Stratasys FortusプリンターとASA樹脂で製作した協賛チームの神戸大学チームが初の総合優勝を果たされました!
最終成績公式通知
https://www.jsae.or.jp/formula/jp/SFJ/docu/2021_Official-Announcement_No13.pdf
その他協賛支援した埼玉大学チームが19位、帝京大学チームが29位でした。まず何よりこのような大変な状況の中で大会開催をされた関係者の皆様、チームの学生、教員の皆様の熱意と努力に敬意と賛辞を贈りたいと思いますし、協賛したチームが総合優勝されたことは、こちらも大変うれしいニュースでした。
さて話題変わって、先月の「軽量化」についてのコラムでも触れましたが、2021年09月10日に弊社丸紅情報システムズ株式会社はDesktop Metal社金属3Dプリンター「 Studio システム 2」の新材料としてチタン合金新材料「Ti64」の発売を発表しました。
『丸紅情報システムズ株式会社は、金属3Dプリンターを専門に開発する米国Desktop Metal,Inc.の金属3Dプリンター「Studio システム 2」向けに初めて提供されるチタン合金新材料「Ti64」の取り扱いを開始します。チタン合金の中で最も広く使用されているTi64(Ti-6Al-4V)は、高強度、軽量、耐食性、800℃近くの温度に耐える能力を併せ持ち、幅広い用途に最適な材料です。強度対重量比が高いため、航空宇宙および防衛、自動車、石油およびガスなどの業界での高性能生産アプリケーションに理想的な材料とされています。
Studio システム 2のBound Metal Deposition(BMD)テクノロジーにより、切削加工等の従来の方法では作成が困難であった複雑な形状のチタン部品の造形を実現し、造形したTi64パーツは、優れた機械的特性と耐食性を発揮します。また、Studio システム 2は従来の製造プロセスよりも素材の無駄を削減することで、環境に配慮しながらチタン部品をより手頃な価格で製造することに役立ちます』
チタンは身近な製品にも使われ、名前は知られている金属ですが、実用され始めたのは1950年代と金属の中では歴史は浅く、これからますます活用が期待される材料です。Desktop Metal社からは、ドローンの締結部品、燃料噴射ノズル、望遠鏡フォーカスリングなどの用例写真が届きました。
皆さんの中でもチタンがメガネや中華鍋に使われていることや、ゴルフが好きな方はクラブのヘッド(ボールを打つ部分)の材料が柿の木からステンレス、チタンに変わってきた歴史をご存じだったり、その効果を実感した方も多いと思います。
他の金属に比べチタンの良いところは一般に下記のように言われています。
・軽くて強い
もう少し細かくいうと、比強度が高い=密度当たりの強度が高い
・さびにくい
特に海水に強く、アルミニウムよりも耐食性が高い
・人への安全性が高い
金属アレルギーの原因となる、金属と汗など水が触れて生じるイオンがほとんど発生しないため、金属アレルギーを起こしにくく、有毒性もない
逆に劣るとされるところもあります。
・材料価格が高い
・加工しにくい
削りにくい難削材とも言われ、溶接、プレス成形も難しい
・電気や熱は伝えにくい
筆者も正直詳しく知らなかったのですが、これを機に調べてみると純チタンの上記の長所を活かし短所を補う様々なチタン合金があり、知られている航空機の部品以外にも耐塩性が強いことで船舶や潜水艦にも最近利用拡大が進んでいるそうで、海運船舶の修理用部品を港の近くで3Dプリンターにより作り、ドローンで船まで送ることで停泊期間を大幅に短縮、大きな利益につながる事業を始めた海外企業を最近参加したウエビナーで知りましたが、チタン合金も使われる可能性があると思いました。
チタン合金はアルミニウムやニッケルなど、混ぜる金属によって純チタンよりも強度や耐食性などを向上させられる一方、加工が難しくなったりすることがありますが、チタン合金には結晶組織の違いにより大きく分けて3種あり、性質が違うそうです。
α型合金
低温から高温まで強度が高い一方、加工性は悪い
β型合金
常温では高強度で低温では伸びがあり、加工性も良いが高温では弱い
α+β型合金
上記両方の特性をバランスよく持っており、強度・延性・靱性・耐熱性良好
そこで、上記のStudioシステム2チタン合金新材料「Ti64」はTi-6Al-4Vで質量分率でアルミニウムが6%、バナジウムが4%含まれている合金であり、α+β型合金なので、バランスの良い特性から「幅広い用途に適する」と言えます。しかし加工、切削は難しく、また長い歴史のあるMIM(メタルインジェクションモールディング)でもチタン合金粉末は活性が高く、性質に影響を及ぼす酸素・窒素・水素などとの反応が起こりやすく、そのため高い焼結技術が求められるそうです。他の金属3Dプリンティング工法でもチタン合金を作れるものがありますが、適した性質を得る金属組織を作るのは容易ではないと聞いたことがあります。
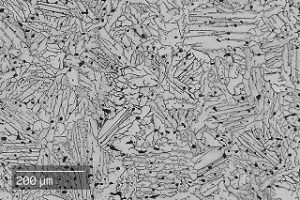
それに対し、Desktop Metal社が開発してStudioシステムで採用たBMD方式+Ti64用に開発された独自焼結方法により、3Dプリント造形→溶媒脱脂→電気炉での焼結炉内冷却の条件設定と動作制御が高度に自動化された3プロセスで、人の技能に左右されず、かつ下記の拡大写真のように、偏りの少ない分散結晶構造のチタン合金を作ることが出来るだけでなく、切削仕上げでも必要な個所だけで済み、加工のために捨てる材料は少なくできることで「加工性や高価格の短所」の改善が期待できます。
もちろんどんな形でも出来るわけではなく、またどの部品でもTi64が適するわけではありませんが、例えば既存類似品がアルミニウム合金、耐食性金属でもTi64なら同等以上の性能、コストでより良い部品が出来ることも考えられ、それに必要な設計支援もしていきますので、関心がある、試したい方はこちらのページからお問い合わせください。Ti64でこれまでにない優れた部品が生まれることを楽しみにしています。
丸紅情報システムズ株式会社は下記展示会にブース出展を予定していますので、筆者は残念ながら参加できませんが、お近くでご来場可能な方はぜひお越しください。
関西ものづくりワールド 次世代3Dプリンタ展
会場:インテックス大阪
期間:2021年10月6日~10月8日
弊社出展情報はこちらをご覧ください。
3Dプリンターのことなら
お気軽に当社へ
お問い合わせください

お電話でのお問い合わせ
WEBでのお問い合わせ
カタログ/資料